设为首页
|
加入收藏
|
网站地图
网站首页
西林叉车
西林电动叉车
西林搬运车
西林堆高车
西林平台车
西林防爆车
牵引车及拣选车系列
窄巷道仓储系列
品牌介绍
公司简介
公司简介
发展历程
荣誉资质
新闻中心
公司动态
行业动态
媒体报道
应用案例
联系我们
公司动态
西林叉车之--专利技术《叉车门架倾斜自动控制装
作者:西林叉车
时间:【 2019-12-12】
文章来源:
西林叉车
之——专利技术《叉车门架倾斜自动控制装置》介绍
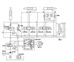
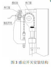
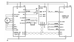
叉车门架倾斜自动控制装置,是公 司 2016 年 5 月获得的一项发明专利。 常见的普通叉车多采用两级门架, 两级门架由内门架和外门架组成,外门 架两侧设计有倾斜油缸,可使门架前倾 或后倾,便于叉车叉取和堆放货物。 叉车一般以门架垂直位置为中心, 通过倾斜油缸控制门架向前或向后倾 斜,叉车在起升货物时,为了作业需要及 叉车运行稳定,需要通过驾驶员的操作 来调整门架的倾斜角度。但是现有叉车 没有对门架的倾斜和起升高度作关联性 的自动控制,在作业时门架的倾斜控制 完全依赖于驾驶人员操作经验,而叉车 载物起升的稳定性与门架倾斜的角度大 小和货物起升的高度有密切关系,特别 是当门架处于最大前倾角度时,随着货 物逐渐升高,叉车的重心发生偏移,这对 于缺乏经验的驾驶人员来说,当接近或 超出极限时叉车极易发生倾翻、货物跌 落等事故,对驾驶员的人身安全和货物 安全造成威胁。 叉车门架倾斜自动控制设计旨在解 决上述叉车技术现状,课题来自于某国 某公司对 CPD20SR 站驾式双前驱平衡 重式叉车的设计要求,即叉车门架最大 后倾角度为 6 度,最大前倾角度为 5 度, 且当货叉高度位于 1500mm 以下时,允 许门架最大前倾 5 度,当货叉高度位于 1500mm 以上时,允许门架最大前倾 2 度,完全由程序控制。且在货叉高度位于 1500mm 以下,门架倾斜大于 2 度时起 升货叉,当货叉起升越过 1500mm 高度 时,起升自动停止,门架自动向后倾斜, 直至门架处于垂直位置时停止(这一过 程定义为门架自动纠直),货叉继续起 升直至所需高度。从而实现了门架倾斜 的自动控制,提高了叉车运行的稳定性 和作业的可靠性。 1. 结构设计与要求 为了实现门架倾斜自动控制,电气 控制设计要求采集门架在倾斜过程中的 角度变化信号,并转换成电变化信号。从 而选用数字电位器安装在叉车车架上, 数字电位器连接一从动摆臂,在倾斜油缸的车架一端转轴上安装了一数字电位 器主动摆臂,当油缸伸缩时门架的前后 倾斜带动数字电位器的主动摆臂在一定 角度范围内旋转,同时带动数字电位器 的从动摆臂旋转,实现了将门架倾斜的 角度变化转换成了对应的电位器电位信 号,如图 1 所示。 AM38—V05—45T 为三端数字电位 器,它的输出电压范围为 0—5V,是一种 磁感应的霍尔电位器,它的特点是可以 根据实际需要,通过编程来实现电压范 围与电位器旋转角度的对应关系。 安装在车架上的数字电位器在门架 最大前、后倾斜时转动的角度可以根据 实际测量获得,本车型门架从后倾 6 度 角到前倾 5 度角转动时, 对应的数字电 位器旋转角度为 30 度左右, 考虑到安装 误差等因素将角度范围放宽至 45 度,且 顺时针方向为电压递增,其输出电压与 旋转角度的对应值,如图 2 所示。 门架倾斜自动控制的高度点根据不 同车型的稳定性加以确定,本设计要求 货叉起升至 1500mm 高度时门架自动纠 直。结构设计通过安装在外门架顶端上 的接近开关和焊接在内门架上的金属感 应块来实现。其工作原理是当货叉起升 至 1500mm 高度时,内门架的金属感应 块正好升至接近开关,使接近开关从开 状态转变至闭状态,从而将开关变化信 号输出给控制器,如图 3 所示。2. 电气控制设计原理 整机采用了三个 CURTIS1234-5371 变频交流控制器,一个用于液压起升油泵 控制,另二个用于行走驱动控制,车型为 双前驱四支点叉车,叉车的功能包括货叉 调速起升下降、货叉左右侧移、门架前后 倾斜等,其中涉及门架倾斜控制和起升部 分电路,如图 4 所示。 图中集中手柄 WK 集合了行走加速 器、起升下降加速器、货叉左右侧移开关、 门架前后倾斜开关、喇叭开关等,并通过 CAN 总线与油泵控制器 KC1 和行走控 制器 KC2 连接。 数字电位器 WR1 与油泵控制器的 P7、P17 和 P26 引脚相连接,接近开关 K6 与行走控制器的 L11 引脚相连。 电路设计原理是通过行走控制器程 序,识别来自接近开关 K6 的开关信号,首 先作出高度判断。同时通过油泵控制器程 序,采集门架倾斜时来自数字电位器的输 入电压,并计算相应的门架角度。当开关 处于开状态时,货叉的高度低于 1500 mm,忽略门架倾斜角度,允许门架最大前 倾、后倾。当开关处于闭状态时,货叉的高 度高于 1500 mm,程序将区分是前倾还是 后倾,在门架作后倾动作时,同样忽略门 架角度,允许门架最大后倾,在门架作前 倾动作时,将对门架倾斜角度的计算结果 进行判断,当门架的倾斜角度达到 2 度 时,控制器将中断油泵电机的工作,门架 倾斜被控制在 2 度以内。 CURTIS1234-5371 变频交流控制器 的特点是,除了底层固化的速度控制程序 外,还可以根据车型功能的需要进行二次 开发。电路设计与软件开发相结合,对叉 车门架倾斜自动控制过程中出现的另一 种状况(门架自动纠直)进行控制。 当货叉低于 1500 mm 高度,而门架的 前倾角度已大于 2 度时,货叉作起升动 作,越过 1500 mm 高度,使原来处于开状 态的接近开关 K6 转变为闭状态,由于设 计要求货叉在超过 1500 mm 高度时,门架 倾斜角度不能大于 2 度,所以控制器将自 动中断起升,紧接着作门架后倾动作,当 门架倾斜到达垂直位置时(门架倾斜角度 为 0 度),中断倾斜动作,继续起升,直至 货叉到达所需高度。 3. 液压系统原理 如图 5 所示,为整机液压系统工作原 理。包含了货叉起升、侧移,门架前倾、后 倾和液压助力转向。 货叉起升时,油泵电机 M1、起升电磁 阀 L1 通电。门架前倾时,油泵电机 M1、前 倾电磁阀 L3 通电。门架后倾时,油泵电机 M1、后倾电磁阀 L4 通电。 在集中手柄 WK 操纵下,在作货叉起 升、门架前倾、后倾过程中,控制器根据来 自于接近开关 K6 和数字电位器 WR1 的 输入信号状况,通过软件来控制油泵电机和电磁阀的通电和断电。 例如:门架自动纠直,在接近开关 K6 处 于 开 状 态 下 ( 货 叉 高 度 低 于 1500 mm),门架前倾已大于 2 度角,这时货叉 起升,油泵电机 M1、起升电磁阀 L1 通电, 当货叉高度越过 1500 mm 时,接近开关 K6 闭合,起升电磁阀 L1 断电,起升停止, 同时后倾电磁阀 L4 通电,门架后倾,直至 控制器获取来自数字电位器中位的信号 (门架倾斜角度为 0 度),后倾电磁阀断 电,起升电磁阀继续通电,直至需要高度。 4. 软件的实现 根据电气控制设计原理,相应功能的 软件实现如下: Joystick_ Lift_ Pot_ Lift = On (有起升 信号) Gantry_ Switch_ Flag_ to_ Pump = Off (未碰到接近开关) Pot2_ Raw < Par_ Tilt_ Down_ Two_ Degree_ Min (门架角度小于 2°) Fork_ Control_ Status = 1(货叉状态 设为 1,允许后倾状态) Joystick_ Lift_ Pot_ Lift = On (有起升 信号) Gantry_ Switch_ Flag_ to_ Pump = Off (未碰到接近开关) Pot2_ Raw < Par_ Vertical_ Min (门 架角度小于 0°) Fork_ Control_ Status = 1(货叉状态 设为 1) Fork_ Control_ Status = 2(货叉状态 设为 2,允许后倾状态) Joystick_ Lift_ Pot_ Lift = On (有起升 信号) Gantry_ Switch_ Flag_ to_ Pump = Off (未碰到接近开关) Pot2_ Raw > Par_ Vertical_ Min (门 架角度大于 0°) Fork_ Control_ Status = 2(货叉状态 设为 2) 或者 Gantry_ Switch_ Flag_ to_ Pump = Off (碰到接近开关) Fork_ Control_ Status = 3(货叉状态 设为 3,初始状态和允许起升状态) Gantry_ Switch_ Flag_ to_ Pump = Off (未碰到接近开关) Pot2_ Raw > Par_ Tilt_ Down_ Two_ Degree_ Max (门架角度大 于 2°) Fork_ Control_ Status = 3(货叉状态设为 3) Fork_ Control_ Status = 4 (货叉状态设为 4,允 许起升状态)
文章热词:西林叉车:
上一篇:西林叉车之——全电动双托盘堆垛车简介
下一篇:西林叉车之——永磁同步电机的驱动控制技术(
LINK
友情链接
厂家地址:浙江省宁波市宁海县桃源北路656号(科技园区内西林叉车) 服务热线 :400 920 6862
邮箱:ruyi@ningboruyi.com 综合热线:400-920-6862
技术支持:
西林叉车
沪ICP备14027849号 All Rights Reserved